E_p[@m_NgTCYnmvgpnmϔM@QOOn@mn
mC@[^[AN`G[^n
@dgcg`ke|@dgrmrrn^dgcg`ke|@dgtmrtr
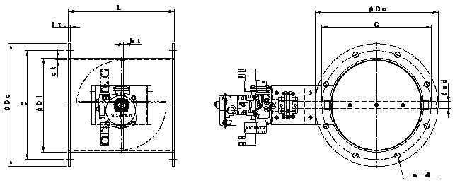
@ @o^tCE_p[̓ |
|
@@@@ @_p[{@ގFrr@@^@rtr|ROS@ |
|
@@@@ @ڑtW@ގFrr@^@rtr|ROS |
|
@@@@ @C@[^[AN`G[^ |
|
@@ @ @gd`ux@sxod@vgp |
|
@@ @IvVdl@@ |
|
@@@@ @@@@́@@@@F@_NgTCYdl |
|
@@@@ @ϔMdl@@@@F@QOO |
|
@@@@ @S[N@@F@ʏ@P`R@]@ |
|
@@@@ @Á@@@@@@@F@SDO@jo@ȉ |
|
@@ @ @IvV@@@@F@dفEXsREJMi~bgXCb`jEeqjbgEhdفEd||WVi[E蓮nh |
|
| ^@@ |
ӂc |
ӂc |
b |
| |
k |
|
|
Wimrrn |
Wimrtrn |
| dgcg`ke-@VT|dgr^dgt |
VUDR |
PVT |
PRT |
S|PX |
QOO |
X^PO |
RDQ^RDO |
|
|
| dgcg`ke-POO|dgr^dgt |
XW |
QOO |
PUO |
W|PX |
QQO |
X^PO |
RDQ^RDO |
|
|
| dgcg`ke-PQT|dgr^dgt |
PQR |
QQT |
PWT |
W|PX |
QQO |
X^PO |
RDQ^RDO |
|
|
| dgcg`ke-PTO|dgr^dgt |
PSW |
QTO |
QPO |
W|PX |
QQO |
X^PO |
RDQ^RDO |
|
|
| dgcg`ke-PVT|dgr^dgt |
PVR |
QVT |
QRT |
W|QR |
QQO |
X^PO |
RDQ^RDO |
|
|
| dgcg`ke-QOO|dgr^dgt |
PXW |
ROO |
QUO |
W|QR |
QQO |
X^PO |
RDQ^RDO |
|
|
| dgcg`ke-QQT|dgr^dgt |
QQR |
RQT |
QWT |
PQ|QR |
ROO |
X^PO |
SDT^RDO |
|
|
| dgcg`ke-QTO|dgr^dgt |
QSW |
RTO |
RPO |
PQ|QR |
ROO |
X^PO |
SDT^RDO |
|
|
| dgcg`ke-ROO|dgr^dgt |
QXW |
SOO |
RUO |
PQ|QR |
ROO |
PQ^PQ |
SDT^SDO |
|
|
| dgcg`ke-RTO|dgr^dgt |
RSW |
STO |
SPO |
PQ|QT |
RUO |
PQ^PQ |
SDT^SDO |
|
|
| dgcg`ke-SOO|dgr^dgt |
RXW |
TOO |
SUO |
PU|QT |
SOO |
PQ^PQ |
SDT^SDO |
|
|
| dgcg`ke-STO|dgr^dgt |
SSW |
TTO |
TPO |
PU|QT |
STO |
PQ^PQ |
SDT^SDO |
|
|
| dgcg`ke-TOO|dgr^dgt |
SXW |
UOO |
TUO |
QO|QT |
TOO |
PQ^PQ |
UDO^TDO |
|
|