![]() |
![]() |
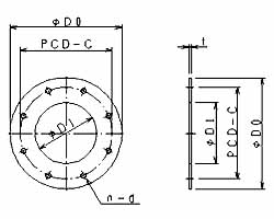
| @ |
| @@@@ |
| @@@@ |
| @@@@@ |
| @ |
| Œ^@@Ž® | ƒÓ‚c‚‰ | ƒÓ‚c‚ | ‚b | ‚Ž|‚„ | ‚†‚” | •W€‰¿Šim‚r‚rn | •W€‰¿Šim‚r‚t‚rn |
| ‚e-@‚V‚T@‚rD‚t | ‚V‚R | ‚P‚Q‚X^‚P‚V‚T | ‚P‚O‚X^‚P‚R‚T | ‚S|‚P‚O | ‚U | ‚RC‚P‚S‚U | ‚TC‚W‚O‚W |
| ‚e-‚P‚O‚O@SD‚t | ‚X‚W | ‚Q‚O‚O | ‚P‚U‚O | ‚W|‚P‚O | ‚U | ‚RC‚W‚V‚Q | ‚VC‚W‚U‚T |
| ‚e-‚P‚Q‚T@SD‚t | ‚P‚Q‚R | ‚Q‚Q‚T | ‚P‚W‚T | ‚W|‚P‚O | ‚U | ‚SC‚P‚P‚S | ‚WC‚V‚P‚Q |
| ‚e-‚P‚T‚O@SD‚t | ‚P‚S‚W | ‚Q‚T‚O | ‚Q‚P‚O | ‚W|‚P‚O | ‚U | ‚SC‚S‚V‚V | ‚XC‚W‚O‚P |
| ‚e-‚P‚V‚T@SD‚t | ‚P‚V‚R | ‚Q‚V‚T | ‚Q‚R‚T | ‚W|‚P‚O | ‚U | ‚SC‚V‚P‚X | ‚P‚PC‚Q‚T‚R |
| ‚e-‚Q‚O‚O@SD‚t | ‚P‚X‚W | ‚R‚O‚O | ‚Q‚U‚O | ‚W|‚P‚O | ‚U | ‚TC‚O‚W‚Q | ‚P‚PC‚S‚X‚T |
| ‚e-‚Q‚Q‚T@SD‚t | ‚Q‚Q‚R | ‚R‚Q‚T | ‚Q‚W‚T | ‚W|‚P‚R | ‚U | ‚TC‚R‚Q‚S | ‚P‚RC‚U‚V‚R |
| ‚e-‚Q‚T‚O@SD‚t | ‚Q‚S‚W | ‚R‚T‚O | ‚R‚P‚O | ‚W|‚P‚R | ‚U | ‚TC‚U‚W‚V | ‚P‚TC‚U‚O‚X |
| ‚e-‚Q‚V‚T@SD‚t | ‚Q‚V‚R | ‚R‚V‚T | ‚R‚R‚T | ‚P‚Q|‚P‚R | ‚U | ‚UC‚V‚V‚U | ‚P‚VC‚U‚U‚U |
| ‚e-‚R‚O‚O@SD‚t | ‚Q‚X‚W | ‚S‚O‚O | ‚R‚U‚O | ‚P‚Q|‚P‚R | ‚U | ‚VC‚P‚R‚X | ‚P‚XC‚Q‚R‚X |
| ‚e-‚R‚T‚O@SD‚t | ‚R‚S‚W | ‚S‚T‚O | ‚S‚P‚O | ‚P‚Q|‚P‚R | ‚U | ‚WC‚P‚O‚V | ‚Q‚RC‚S‚V‚S |
| ‚e-‚S‚O‚O@SD‚t | ‚R‚X‚W | ‚T‚O‚O | ‚S‚U‚O | ‚P‚Q|‚P‚R | ‚U | ‚WC‚X‚T‚S |
‚Q‚VC‚Q‚Q‚T |